Hanwha Vision TNO-C8083E
5MPコンパクト防爆AIカメラ
防爆カメラについて、ブログでも詳しく紹介しております。
防爆カメラとは?設置や選び方について解説
概要
- コンパクトで軽量(4.77kg)防爆バレット型
- 3.2倍電動バリフォーカルレンズで最大30fps@5MP解像度
- AIベースのオブジェクト分類と誤報の低減
- 設置が簡単な1/2インチケーブルグランドタイプ
- IECEx、ATEX、KCs、JPEx防爆認証済み
- SUS316LステンレススチールでIP66/IK10
特長
小型防爆バレットカメラ
従来の防爆カメラは筐体が大きく重いため、複雑で狭い空間への設置が困難でした。しかし、新型の小型防爆カメラは小型軽量化を実現し、設置性を大幅に向上させました。
防爆認証
TNO-C8083E はコンパクトな設計にもかかわらず、IECEx、ATEX、KCs (韓国)、JPEx (日本) などの防爆認証を取得しています。
接着剤やボンドを使わずに取り付け可能
防爆ケーブルグランドを使用することで、接着剤やボンド材を使わずにカメラを設置できます。設置環境に合わせてケーブルの長さを調整できます。※カメラに標準装備されているケーブルは防爆構造ではないため、露出設置する場合は別途配管が必要となりますのでご注意ください。
防爆カメラの多様な用途
防爆カメラは産業施設の安全維持に不可欠であり、火災、爆発、有毒化学物質の漏洩といった潜在的な危険が潜む化学工場、石油・ガス精製所、医薬品製造現場といった高リスク環境の監視に最適です。堅牢なリアルタイム監視機能を備えたこれらのカメラは、従業員、資産、そして周辺地域を産業事故から守ります。

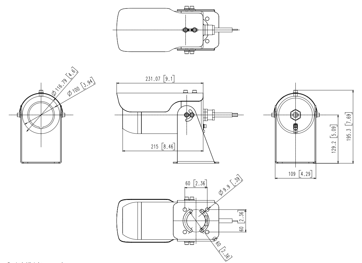
図解

仕様
| ビデオ | ||
|---|---|---|
| イメージングデバイス | サイズ | 1/2.8インチ |
| タイプ | CMOS | |
| 解像度 | 2592×1944、2560×1440、1920×1080、1280×960、1280×720、800×600、800×448、720×576、720×480、640×480、640×360、320×240 | |
| 最大フレームレート | H.265/H.264 | 30 fps/25 fps(60Hz/50Hz) |
| MJPEG | 30 fps(@5MP 最大5fps) | |
| 最小照度(ルクス) | カラー(1/30秒、30IRE) | 0.07 |
| 白黒(1/30秒、30IRE) | 0.007 | |
| レンズ | ||
| 焦点距離(mm) | 3.2~10.2 | |
| ズーム比 | 光学 | 3.2倍 |
| 最大口径比(F値) | ワイド | 1.6 |
| テレ | 3.1 | |
| 視野角 | 水平 | 95°~29° |
| 垂直 | 69°~21° | |
| 対角線 | 126°~36° | |
| 最小被写体距離 | 1.2メートル(3.93フィート) | |
| フォーカスコントロール | シンプルなフォーカス | |
| レンズタイプ | DCオートアイリス(IR補正) | |
| 運用 | ||
| デイ/ナイト | オート(ICR) | |
| 逆光補正 | BLC、WDR、SSDR | |
| ワイドダイナミックレンジ(dB) | 120 | |
| デジタルノイズリダクション | WiseNRⅡ(AIエンジンベース)、SSNRⅤ | |
| モーション検出 | 量 | 8個 |
| 形 | 8ポイントの多角形ゾーン | |
| プライバシーマスキング | 量 | 32個 |
| 形 | 4点四角形ゾーン | |
| コントロールを獲得 | 低、中、高 | |
| ホワイトバランス | ATW、AWC、手動、屋内、屋外 | |
| LDC | サポート | |
| 電子シャッター | モード | 最小、最大、ちらつき防止 |
| 速度範囲 | 1/5~1/12,000秒 | |
| デジタルPTZ | サポート | |
| ビデオの回転 | 反転、ミラー、廊下ビュー(90°/270°) | |
| アラームトリガー | 分析、ネットワーク切断 | |
| アラームトリガーが発生したときのアラームイベント | ファイルアップロード(画像):電子メール/FTP、通知:電子メール、ハンドオーバー:PTZプリセット、HTTP/HTTPS/TCPによるメッセージ送信 | |
| 分析 | ||
| 分類されたオブジェクトの種類 | 人、車両 | |
| 属性 | 車両 | 種類(車、バス、トラック、バイク、自転車) |
| サムネイル | 検出ショット | |
| 分析イベント | AIエンジンベース | 物体検知、仮想線(交差点/方向)、仮想領域(徘徊/侵入/進入/退出)、動き検知 |
| 普通 | 焦点ずれ検知、動体検知、改ざん検知、仮想領域(出現/消失) | |
| ビジネスインテリジェンス | AIエンジンベース | 人数カウント、キュー管理、ヒートマップ、車両カウント |
| ネットワーク | ||
| イーサネット | RJ-45(10/100BASE-T) | |
| ビデオ圧縮 | H.265/H.264: メイン/ベースライン/ハイ、MJPEG | |
| スマートコーデック | マニュアル、WiseStreamⅢ | |
| ビットレート制御 | H.265/H.264: CBR または VBR、MJPEG: VBR | |
| ストリーミング | ユニキャスト | 最大20ユーザー |
| マルチキャスト | サポート | |
| 複数のストリーミング | 最大5つのプロファイル | |
| プロトコル | IPv4、IPv6、TCP/IP、UDP/IP、RTP(UDP)、RTP(TCP)、RTCP、RTSP、NTP、HTTP、HTTPS、SSL/TLS、DHCP、FTP、SMTP、ICMP、IGMP、SNMPv1/v2c/v3(MIB-2)、ARP、DNS、DDNS、QoS、UPnP、Bonjour、LLDP、CDP、SRTP(TCP、UDPユニキャスト)、MQTT | |
| アプリケーションプログラミングインターフェース | ONVIF | S、T、M |
| その他 | SUNAPI(HTTP API) | |
| 直接クラウド接続 | サポート | |
| 安全 | ||
| OS / ファームウェア保護 | 暗号化されたファームウェア、セキュアブート、署名されたファームウェア | |
| ユーザー認証 | ダイジェスト認証、ブルートフォース攻撃の防止 | |
| ネットワーク認証 | IEEE 802.1X(EAP-TLS、EAP-LEAP、EAP-PEAP、MSCHAPv2) | |
| セキュリティ通信 | HTTPS、WSS(WebSocketセキュア)、SRTP | |
| アクセス制御 | IPベースのアクセス制御 | |
| データ保護 | 暗号化資格情報、ライブ録画ファイルのエクスポート用の暗号化圧縮 | |
| 監査 | アクセス / システム / イベントログ管理 | |
| デバイスID | デバイス証明書(Hanwha Vision Root CA) | |
| 一般 | ||
| メモリ | RAM | 2GB |
| フラッシュ | 1GB | |
| 環境と電気 | ||
| 動作条件 | 温度 | -30℃~+55℃(-22°F~+131°F) |
| 湿度 | 0~95% RH(結露なし) | |
| その他 | 起動は-30°C以上で行う必要があります | |
| 保管条件 | 温度 | -50℃~+60℃(-58℉~+140℉) |
| 湿度 | 0~95% RH(結露なし) | |
| 入力電圧 | PoE(IEEE802.3af、クラス3) | |
| 消費電力 | PoE | 最大9.5W、標準5.30W |
| 機械 | ||
| 色 | 銀 | |
| 材料 | ステンレス(STS316L) | |
| 寸法 | ø110.5 x 316.2mm(ø4.35×12.44″) | |
| 重量 | 4770g(10.51ポンド) | |
| 認証と規格 | ||
| EMC | CE/UKCA – EN55032 クラス A、EN 50130-4、EN 61000-3-2、EN 61000-3-3、VCCI CISPR 32 クラス A、KS C 9832 クラス A、KS C 9835 | |
| 環境 | IEC 60529 IP66、IEC 62262 IK10、IECEx Ex db IIC T6 Gb、Ex tb IIIC T80°C Db、ATEX II 2 G Ex db op is IIC T6 Gb、II 2 D Ex tb op is IIIC T85°C Db | |
| DORI(EN62676-4規格) | ||
| 検出 (25PPM/8PPF) | ワイド | 42.7メートル(140.20フィート) |
| テレ | 186.9メートル(613.28フィート) | |
| 観察 (63PPM/19PPF) | ワイド | 17.2メートル(56.08フィート) |
| テレ | 75.4メートル(245.31フィート) | |
| 認識 (125PPM/38PPF) | ワイド | 8.5メートル(28.04フィート) |
| テレ | 37.4メートル(122.66フィート) | |
| 識別 (250PPM/76PPF) | ワイド | 4.3メートル(14.02フィート) |
| テレ | 18.7メートル(61.33フィート) | |
| 認証と規格 | ||
| EMC | FCC 47 CFR 15 サブパート B クラス A、CE/UKCA – EN55032 クラス A、EN 50130-4、EN 61000-3-2、EN 61000-3-3、VCCI CISPR 32 クラス A、RCM AS-NZS CISPR 32 クラス A、KS C 9832 クラス A、KS C 9835 | |
| 安全性 | UL 62368-1、CAN/CSA C22.2 NO. 62368-1 | |
| 環境 | IEC/EN 63000、IEC 60529 IP66、IEC 62262 IK10、NEMA 250 タイプ 4X | |








